
The STM8S103F3P6 is an 8-bit microcontroller manufactured by STMicroelectronics, renowned for its impressive functionality and seamless integration. This compact device is equipped with a surface-mounted device (SMD) mounting style, embodying an advanced core and peripherals that are meticulously manufactured using cutting-edge technology. With a clock frequency of 16 MHz, the STM8S103F3P6 boasts a robust I/O capability, ensuring efficient data processing and handling. Its independent watchdog timer, equipped with an independent clock source and clock security system, guarantees optimal device performance and resilience against potential disruptions.
One of its standout features is its flash memory, which provides non-volatile storage for code and data. With an operating voltage range spanning from 2.95 V to 5.5 V, this microcontroller is highly versatile and adaptable to various applications. Additionally, it offers a wide operating temperature range of -40°C to 85°C, making it suitable for deployment in diverse environmental conditions.
• MSP430G2353
• PIC16LF18444T
• STM8S103F3P3
• STM8S103F3P3TR
• STM8S103F3P6TR


Low Power Consumption: It has a variety of low power consumption modes to choose from, including idle mode, sleep mode, deep sleep mode and off mode, which can effectively extend battery life and save energy.
High Performance: It adopts high-performance STM8 core architecture, which allows the operating frequency to be as high as 16MHz, which greatly improves the instruction execution speed and provides more efficient computing capabilities for our applications.
Multiple Communication Interfaces: It supports a variety of communication interfaces including SPI (Serial Peripheral Interface), I2C and UART. Through these interfaces, it can easily communicate and interact with external devices to achieve more functions and applications.
Abundant Peripherals: The STM8S103F3P6 microcontroller has abundant peripheral resources, including 16KB of Flash memory and 1KB of RAM memory, as well as commonly used interfaces such as GPIO pins, timers, and UART. The diversity of these peripherals makes the device suitable for various application scenarios and can meet the needs of different fields and industries. Whether it is industrial control, smart home, or embedded systems, STM8S103F3P6 can provide support.

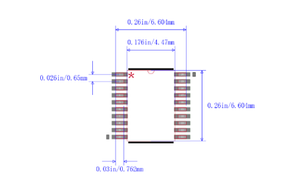
The STM8S103F3P6 is packaged in a Thin Shrink Small Outline Package (TSSOP) and has 20 pins. The body and lead spacing are smaller than standard SOIC packages. A typical feature of TSSOP is the formation of pins around the packaged chip, which makes it suitable for mounting wiring on PCBs using SMT technology. When using TSSOP package, the parasitic parameters (output voltage disturbance caused by large changes in current) are smaller, so it is suitable for high-frequency applications. This kind of package is more convenient to operate and has higher reliability.
The TSSOP package has the following features:
• Small Pin Spacing: The pin spacing is generally 0.5mm or 0.65mm. Through the design of circuit board copper bars, more devices can be placed on the circuit board with the same area and size.
• Wide Scope of Application: It can be applied to various application fields such as microcontrollers, DSPs, memory chips, and power supply chips.
• High Pin Count: The number of pins is generally around 20 to 64, which can meet certain chip integration requirements.
• Small Package Size: Compared with ordinary Small Outline (SO) packages, its package size is smaller, thickness is thinner, and volume is smaller, making it suitable for packaging of high-density integrated circuits.
• High Performance: It adopts surface mount technology, has good conductivity and corrosion resistance, and can meet special requirements such as high speed, high frequency, miniaturization and so on.
Unless otherwise specified, all voltages are referred to VSS.
The minimum and maximum values are guaranteed under the most adverse conditions, encompassing ambient temperature, supply voltage, and frequencies. These guarantees are established through rigorous production tests performed on 100% of the devices, conducted at an ambient temperature of TA = 25°C and TA = TAmax (as defined by the chosen temperature range).
Values based on characterization results, design simulations, and/or technological characteristics are outlined in the table footnotes and have not undergone production testing. Regarding characterization, the minimum and maximum values pertain to sample assessments and signify the mean value with a range of plus or minus three times the standard deviation (mean±3Σ).
Unless explicitly stated otherwise, standard data are established with TA = 25°C, VDD = 5 V. These values are provided solely as design references and have not undergone testing.
The typical accuracy of ADC values is established through the characterization of a set of samples from a standard diffusion lot across the complete temperature range. In this context, 95% of the devices exhibit an error within the specified value (mean±2Σ).
Unless specifically indicated, all standard graphs are intended solely as design references and have not been subject to testing.
Exceeding the specified absolute maximum ratings can result in permanent damage to the device. These ratings solely indicate the limits of stress that the device can endure, and it is not implied that the device will function properly under these conditions. Exposure to conditions at or near the maximum ratings can adversely impact the device's reliability.
The device's mission profile, which outlines its application conditions, adheres to the JEDEC JESD47 Qualification Standard, with extended mission profiles available upon request.
To achieve stability for the primary regulator, an external capacitor labeled CEXT should be connected to the VCAP pin. It's essential to ensure that the series inductance remains below 15 nH.
The current consumption is measured as illustrated in the following picture.

Total Supply Current Consumption in Run Mode
The MCU is placed under the following conditions:
• All peripherals are disabled (clock stopped by peripheral clock gating registers) except if explicitly mentioned.
• All I/O pins in input mode with a static value at VDD or VSS (no load)
Subject to general operating conditions for VDD and TA.

STM8S103F3P6 has 20 pins, its pin names and functions are as follows:
Pin1 (PD4/ BEEP/ TIM2_ CH1/ UART1 _CK): Port D4
Pin2 (PD5/ AIN5/ UART1 _TX): Port D5
Pin3 (PD6/ AIN6/ UART1 _RX): Port D6
Pin4 (NRST): Reset
Pin5 (PA1/OSCIN): Port A1
Pin6 (PA2/OSCOUT): Port A2
Pin7 (VSS): Digital ground
Pin8 (VCAP): 1.8 V regulator capacitor
Pin9 (VDD): Digital power supply
Pin10 (PA3/ TIM2_ CH3 [SPI_ NSS]): Port A3
Pin11 (PB5/ I2C_ SDA [TIM1_ BKIN]): Port B5
Pin12 (PB4/ I2C_ SCL): Port B4
Pin13 (PC3/ TIM1_CH3 [TLI][TIM1_ CH1N]): Port C3
Pin14 (PC4/ CLK_CCO/ TIM1_ CH4/AIN2/ [TIM1_ CH2N]): Port C4
Pin15 (PC5/ SPI_SCK [TIM2_ CH1]): Port C5
Pin16 (PC6/ SPI_MOSI [TIM1_ CH1]): Port C6
Pin17 (PC7/ SPI_MISO [TIM1_ CH2]): Port C7
Pin18 (PD1/ SWIM): Port D1
Pin19 (PD2/AIN3/ [TIM2_ CH3]): Port D2
Pin20 (PD3/ AIN4/ TIM2_ CH2/ ADC_ ETR): Port D3
As shown in the figure above, the STM8S103F3P6 chip has up to 16 I/O pins, which can be used for a variety of purposes, such as GPIO, peripheral interfaces, ADC, etc. Its I/O pins are bidirectional and can be used as input pins to read external signals or as output pins to send signals to external devices. In addition, each I/O pin can be independently assigned an interrupt vector to facilitate accurate processing of interrupts when they occur.
• Automation Systems: This microcontroller can be used in automation systems such as electric curtains, access control systems, temperature control and lighting control.
• IoT (Internet of Things) Application: If we need to develop IoT devices, it can be used as a controller for IoT nodes to connect and control various sensors and communication modules.
• Personal Electronic Devices: Used in digital cameras, MP3 and MP4 players, electronic game consoles, etc.
• Electronic Equipment: Used to develop various electronic equipment
, such as electronic toys, remote controls, mini calculators, etc.
• Industrial Field: Used in PLC, industrial controllers, process automation and ship automatic control equipment, etc.
• Data Acquisition and Sensor Interface: Used to monitor environmental conditions and collect data or to connect various sensors such as light sensors, temperature sensors, and humidity sensors.
• Embedded Control System: Used to design various embedded control systems, such as household appliances, industrial equipment, power tools, etc. Its 8-bit processing power is sufficient for many simple control tasks.
The STM8S103F3P6 is a microcontroller chip developed by STMicroelectronics. It belongs to the STM8 family of 8-bit microcontrollers and is widely used in various embedded systems and IoT applications.
STM8S103F3P6 microcontroller unit has 640 Bit ROM, 10-Bit 5-Channels ADC, 1kB RAM and with a program memory size of 8kB.
We can replace the STM8S103F3P6 with the MSP430G2353, PIC16LF18444T, STM8S103F3P3, STM8S103F3P3TR or STM8S103F3P6TR.
Yes, the STM8S103F3P6 is designed with low-power features and can be used in battery-powered or low-power applications where energy efficiency is essential.
Some key features of the STM8S103F3P6 include GPIO (General Purpose Input/Output) pins, UART (Universal Asynchronous Receiver/Transmitter) communication, I2C (Inter-Integrated Circuit) communication, SPI (Serial Peripheral Interface) communication, timers, and more.
FAATATAU IA TATOU
Tagata faamalieina i taimi uma.Agaalofa ma le talitonuina ma fiafia masani.
[{1 1}]
2024-08-02
[{1 1}]
2024-08-02
Imeli: Info@ariat-tech.comHK TEL: +852 30501966TAIMI: Rm 2703 27F Ho King Comm Center 2-16,
Fa Yuen St MongKok Kowloon, Hong Kong.